
🔌 반파정류회로란 무엇일까?
– 교류(AC)를 직류(DC)로 바꾸는 가장 쉬운 방법
우리가 콘센트에서 쓰는 전기는 **교류(AC)**지만,
전자기기 대부분은 **직류(DC)**로 동작한다.
이때 교류를 직류로 바꾸는 역할을 하는 회로가 바로 **정류회로(Rectifier)**이고,
그중 가장 단순한 형태가 반파정류회로다.
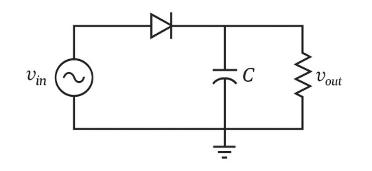
1️⃣ 반파정류회로의 구성
반파정류회로는 아주 단순하다.
🔹 기본 구성
- 교류 전원(AC)
- 다이오드 1개
- 부하(저항)
- (선택) 커패시터 1개 → 출력 전압을 더 매끈하게 만듦
👉 핵심 부품은 다이오드 하나다.
2️⃣ 다이오드는 어떤 역할을 할까?
다이오드는 이렇게 생각하면 된다.
“전기를 한쪽 방향으로만 통과시키는 전기 밸브”
- 전압이 정방향 → 전류 통과
- 전압이 역방향 → 전류 차단
이 성질 덕분에
교류의 양(+) 반주기만 통과시키고
음(-) 반주기는 잘라낼 수 있다.
3️⃣ 반파정류는 어떻게 동작할까?
🔹 양(+) 반주기일 때
- 다이오드 ON
- 전류가 부하로 흐름
- 출력 전압 발생
🔹 음(-) 반주기일 때
- 다이오드 OFF
- 전류 흐르지 않음
- 출력 전압 = 0
👉 결과적으로 출력 전압은
교류 파형의 절반만 남은 형태가 된다.

그래서 이름도 반파(半波) 정류다.
4️⃣ 출력 전압은 어떤 모습일까?
- 입력: 위아래로 흔들리는 사인파(AC)
- 출력: 위쪽 반쪽만 살아 있는 파형
이 출력은:
- 완전히 부드러운 DC는 아니고
- **“맥동하는 DC”**라고 부른다
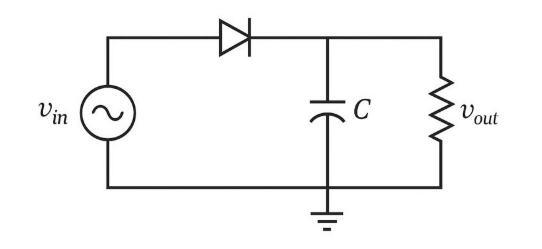
5️⃣ 커패시터를 붙이면 왜 좋아질까?
반파정류회로에 **커패시터(C)**를 추가하면:
- 전압이 높을 때 충전
- 전압이 낮아질 때 방전
👉 출력 전압이 덜 떨어지고 더 평평해진다.
그래서 실무에서는:
- 다이오드 + 커패시터 조합이 기본이다.

6️⃣ 중요한 개념: 최대 역전압(PRV)
반파정류회로에서 다이오드를 고를 때
아주 중요한 게 **최대 역전압(PRV)**이다.
왜 중요할까?
- 음(-) 반주기 + 커패시터 충전 전압 때문에
- 다이오드에는 입력 피크 전압의 약 2배가 걸린다
예:
- 120V(rms) 입력
- 피크 ≈ 170V
- PRV ≈ 340V
👉 다이오드는 이보다 여유 있는 정격을 써야 안전하다.
7️⃣ 반파정류회로의 장점과 단점
✅ 장점
- 구조가 매우 단순
- 부품이 적고 저렴
- 이해하기 쉬움
❌ 단점
- 효율이 낮음 (전력의 절반만 사용)
- 출력 리플이 큼
- 큰 전력에는 부적합
그래서 소전력·보조용으로 주로 쓰인다.
8️⃣ 실생활에서는 어디에 쓰일까?
🔹 실제 사용 예
✔ 아주 단순한 어댑터 내부
- LED 표시등 전원
- 저전력 센서 회로
✔ 라디오·간이 전자키트
- 교육용 회로
- 실험용 전원
✔ 보호 회로
- 역전압 방지
- 신호 정류용
✔ 계측·검출 회로
- AC 신호의 크기만 뽑아내는 용도
👉 단,
스마트폰 충전기, PC 전원 같은 곳에는
반파정류가 아니라 전파정류 + 스위칭 전원이 쓰인다.

🔑 한 줄 요약
반파정류회로는 다이오드 하나로 교류의 절반을 직류로 바꾸는 가장 기본적인 정류 방식이며, 구조는 단순하지만 효율이 낮아 소전력·기초 회로에서 주로 사용된다.
🔥 반파정류회로의 화재 위험성은?
전파정류와 비교하면 어떤 쪽이 더 위험할까?
정류회로 자체가 “불이 잘 나는 회로”는 아니지만,
조건이 나쁘면 화재로 이어질 수 있는 구조적 약점은 분명히 존재해.
1️⃣ 반파정류회로의 화재 위험 요인
🔹 ① 다이오드 과열 위험
반파정류는 전류가 한 방향 반주기 동안만 흐르기 때문에
같은 출력 전력을 만들려면:
- 순간 전류 피크가 큼
- 다이오드에 열이 집중됨
👉 다이오드 정격을 낮게 쓰면
→ 접합부 과열 → 열폭주 → 소손 가능성
🔹 ② 커패시터 스트레스 증가
커패시터 필터가 있을 경우:
- 충전 간격이 길어짐
- 리플 전류(ripple current)가 커짐
- 커패시터 내부 발열 증가
👉 저가 전해콘덴서 사용 시
→ 팽창, 누액, 내부 단락 → 화재 위험
🔹 ③ 출력 리플이 커서 부하 발열 증가
반파정류 출력은:
- 전압 변동이 큼
- 부하에 펄스 전류가 흐름
👉 저항, 트랜스, 코일 부하에서
→ 평균 전력보다 열이 더 발생
🔹 ④ 역전압(PRV) 부족 시 파괴 위험
반파정류 + 커패시터 회로에서는:
- 다이오드에 입력 피크 전압의 약 2배 역전압 발생
👉 PRV를 충분히 고려하지 않으면
→ 다이오드 역방향 파괴 → 아크 → 발화 위험
2️⃣ 전파정류회로는 왜 상대적으로 안전할까?
🔹 전파정류의 구조적 장점
✔ 전류가 양·음 반주기 모두 활용
✔ 전류 피크가 낮음
✔ 출력 리플이 작음
✔ 커패시터 충전이 더 자주 발생
✔ 부품 열 스트레스 분산
👉 같은 출력 조건에서
부품 온도가 더 낮고 안정적
3️⃣ 화재 위험성 비교 (핵심 정리)

👉 결론적으로
🔴 반파정류가 전파정류보다 화재 위험성이 높다
4️⃣ 실제 화재로 이어지는 전형적인 시나리오
1️⃣ 저가 반파정류 회로 사용
2️⃣ 다이오드·콘덴서 정격 부족
3️⃣ 장시간 연속 운전
4️⃣ 내부 발열 누적
5️⃣ 콘덴서 팽창·누액 또는 다이오드 파괴
6️⃣ 인접 가연물 착화 → 화재
※ 소형 어댑터·노후 전자기기에서 종종 발생
5️⃣ 화재 예방을 위한 설계·관리 포인트
✅ 설계 단계
- 다이오드 PRV 2.5~3배 여유
- 전류 정격 충분히 확보
- 콘덴서 리플 전류 정격 확인
- 가능하면 전파정류 사용
✅ 관리·운영 단계
- 콘덴서 팽창·누액 여부 점검
- 장시간 무인 운전 회로 피하기
- 고온 환경 설치 금지
🔑 한 줄 요약
반파정류회로는 구조적으로 전류 피크와 리플이 커 부품 열 스트레스가 크며, 같은 조건에서는 전파정류회로보다 화재 위험성이 높다.